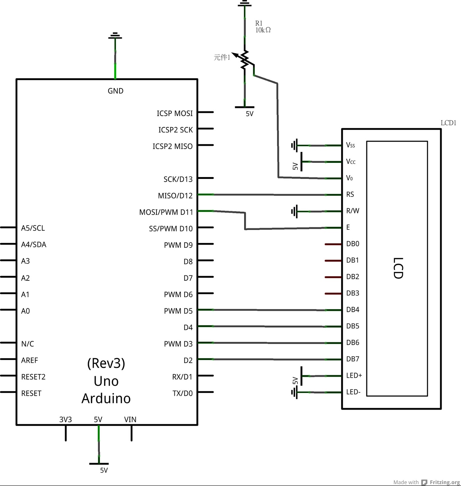
- 使用16x2 LCD 顯示訊息
元件︰
- 1602 16x2 LCD x 1
- 10KΩ 可變電阻 x 1
接線圖︰
架構圖︰
程式碼︰
- 顯示Hello, world!
#include <LiquidCrystal.h> LiquidCrystal lcd(12, 11, 5, 4, 3, 2); void setup() { //設定LCD行數col列row數 lcd.begin(16, 2); //列印"hello, world!"到LCD lcd.print("hello, world!"); } void loop() { //設定游標位置 lcd.setCursor(0, 1); //列印從程式開始到現在的時間到現在游標位置 lcd.print(millis()/1000); }
- 游標閃爍-Blink
void loop() { // Turn off the blinking cursor: lcd.noBlink(); delay(3000); // Turn on the blinking cursor: lcd.blink(); delay(3000); }
- 顯示hello, world!並顯示關閉字元
void loop() { lcd.noDisplay(); delay(500); lcd.display(); delay(500); }
- 清除LCD後,定位在左上角
void loop() { lcd.clear(); }


沒有留言:
張貼留言